multiplexer तथा demultiplexer क्या है?

इस पोस्ट में हम multiplexer तथा demultiplexer के बारें में पढेंगे तो चलिए शुरू करते है:-

Multiplexer in hindi (मल्टीप्लेक्सर क्या है?)

multiplexer एक ऐसा परिपथ (circuit) है जिसमें अनेक इनपुट तथा केवल एक आउटपुट होती है. यह एक data selector परिपथ है. इसमें control signal को प्रयुक्त कर, किसी भी इनपुट को आउटपुट पर प्राप्त किया जा सकता है.

multiplexer in hindi

चित्र में एक multiplexer का block diagram दिया गया है. परिपथ (circuit) में n इनपुट सिग्नल, m कंट्रोल सिग्नल तथा केवल एक आउटपुट सिग्नल है. n इनपुट सिग्नलों में से आउटपुट पर कोई एक सिग्नल प्राप्त करने के लिए कंट्रोल सिग्नल की संख्या निम्न समीकरण से प्राप्त की जा सकती है:-

[2m =n]

परिपथ की आउटपुट (जो एक selected इनपुट होती है) कंट्रोल टर्मिनल पर प्रयोग किये गये digital code पर निर्भर करती है. multiplexer में प्राय एक स्ट्रोब (or enable) इनपुट भी होती है जो एक्टिव LOW होने पर परिपथ में वांछित (desired) operation करती है.

2 to 1 multiplexer

इसमें 2 इनपुट सिग्नल होते है. इस circuit में किसी एक इनपुट सिग्नल को select किया जाता है तथा उसी selected इनपुट को, आउटपुट पर ट्रान्सफर किया जाता है. इनपुट selection का कार्य control signal करता है.

नीचे आपको 2 to 1 multiplexer का चित्र दिया गया है. चित्र में प्रदर्शित multiplexer में दो इनपुट लाइनें I1, I2 एक कंट्रोल इनपुट C तथा एक आउटपुट लाइन Y है. multiplexer के लॉजिक परिपथ से आउटपुट Y का equation निम्न प्रकार लिखा जाता है:-

Y = C¯I1 + CI2

2 to 1multiplexer in hindi

1) यदि C=0 है तब CI2= 0
अतः Y = I1
अर्थात् केवल इनपुट I2 को select किया गया है.

2) यदि C=1 है तब C¯I1 = 0
अतः Y = I2
अर्थात् केवल इनपुट I2 को select किया गया है.

इस प्रकार multiplexer में control signal की सहायता से केवल एक इनपुट को select कर उसे आउटपुट पर transfer किया जाता है.

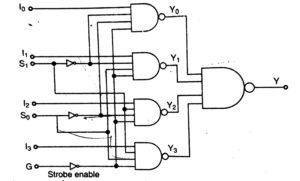
4 to 1 multiplexer

इसमें 4 input signals होते है. नीचे चित्र में 4 to 1 multiplexer का लॉजिक परिपथ प्रदर्शित किया गया है. इसमें चार इनपुट सिग्नल I0, I1, I2, I3 तथा दो control signal अर्थात् selected input S1, S2 एवं परिपथ को enable करने के लिए एक स्ट्रोब इनपुट (G) प्रयुक्त की गयी है.

4 to 1 multiplexer in hindi

16 to 1 multiplexer

यह एक data selector परिपथ है क्योंकि परिपथ का output bit, इनपुट में से कोई selected bit होता है. इसमें 16 input bits होते है.

16 to 1 multiplexer in hindi

ऊपर चित्र में एक 16 to 1 multiplexer का परिपथ (circuit) प्रदर्शित किया गया है इस चित्र में मल्टीप्लेक्सर के इनपुट bits D0, D1, D2, D3…..D15 है. output bit, इनपुट में से कौन सा bit होगा यह control signal ABCD पर निर्भर करता है.

उदाहरण के लिए-

यदि control signal-
ABCD =0000 है
तब सबसे ऊपर वाला AND गेट enable होता है तथा अन्य सभी gates disable होते है. अतः इनपुट बिट D0 आउटपुट को ट्रान्सफर हो जायेगा. अर्थात्  Y = D0

यदि D0 का status ‘LOW’ है तब आउटपुट Y भी LOW होगी तथा यदि D0 ‘HIGH’ है तब Y भी HIGH होगी. अतः Y का मान D0 पर निर्भर करेगा.

यदि control signal-
ABCD =1111 है तो
सबसे नीचे वाले AND gate के अतिरिक्त सभी अन्य गेट्स disable हो जायेंगे. तथा केवल D15 आउटपुट को ट्रान्सफर होता है.
अतः Y = D15.

इसे पढ़ें:- logic gates क्या है?

demultiplexer in hindi (डिमल्टीप्लेक्सर क्या है?)

demultiplexer एक ऐसा लॉजिक परिपथ (logic circuit) है जिसमें एक इनपुट तथा अनेक आउटपुट होती है. इसमें control signal को प्रयोग कर input किसी भी output line पर प्राप्त की जा सकती है.

नीचे चित्र में demultiplexer का block diagram दिया गया है. इस परिपथ में एक input signal, m control signal तथा n output signal हैं.

demultiplexer in hindi

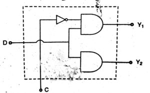
1 to 2 demultiplexer

1 to 2 demultiplexer in hindi

ऊपर चित्र में एक 1 to 2 demultiplexer का परिपथ प्रदर्शित किया गया है. यदि परिपथ की इनपुट D, control signal C तथा output Y1, Y2 है तब demultiplexer की आउटपुट निम्न प्रकार होगी-

Y1 = C¯D तथा Y2 = CD.
1) यदि C = 0 तब Y1 = D
Y2= 0.
अर्थात् इनपुट सिग्नल, आउटपुट लाइन Y1 पर प्राप्त होगा.

2) यदि C = 1 तब Y1 = 0
Y2 = D.
अर्थात् इनपुट सिग्नल, आउटपुट लाइन Y2 पर प्राप्त होता है.

इस प्रकार demultiplexer में एक समय में केवल एक ही आउटपुट ही select होती है किसी भी condition में दोनों आउटपुट एक साथ select नहीं होती है.

1 to 16 demultiplexer

इसमें एक input bit, 4 control input तथा 16 आउटपुट लाइन होती है. परिपथ की आउटपुट कंट्रोल इनपुट पर निर्भर करती है.

1 to 16 demultiplexer in hindi

ऊपर चित्र में एक 1 to 16 डिमल्टीप्लेक्सर का परिपथ प्रदर्शित किया गया है. इसमें एक input bit D, चार control input A, B, C, D तथा Y0, Y1, Y2, …..Y15 हैं.

उदाहरण के लिए-

यदि ABCD = 0000
तब केवल उपर वाला AND गेट enable होता है तथा अन्य सभी AND गेट्स disable होते हैं. इसलिए data bit केवल आउटपुट Y0 पर प्राप्त होगा. अर्थात् Y0 = D.

इस प्रकार यदि कंट्रोल इनपुट ABCD = 1111 है
तब केवल सबसे नीचे वाले AND गेट के अतिरिक्त अन्य सभी disable होंगे, तथा
Y15 = D.

इस प्रकार डिमल्टीप्लेक्सर, इनपुट डेटा बिट को 16 आउटपुट lines में से किसी एक selected लाइन पर ट्रान्सफर करता है. तथा यह selected आउटपुट लाइन, control signal ABCD पर निर्भर करती है.

2 thoughts on “multiplexer तथा demultiplexer क्या है?”

Leave a Comment